深圳市隆玛视觉光源有限公司  

13682357734
产品详情
THORLABS 索雷博    BOA1017P - O波段助推光学放大器
分享到:

THORLABS 索雷博    BOA1017P - O波段助推光学放大器

产品详情
型号 BOA1017P - O波段助推光学放大器 品牌 THORLABS 索雷博

Thorlabs索雷博     BOA1017P - O波段助推光学放大器










手机/微信:13682357734   电话:0755-84690029       QQ: 2844337877        邮箱:2844337877@qq.com

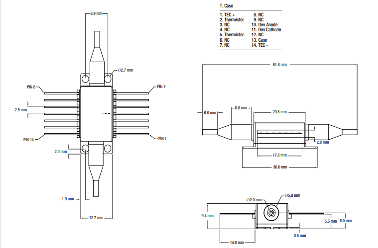
Hardware Design  
手机/微信:13249819590               电话:0755-83512170
QQ:2577758288                             Email: 2577758288@qq.com
地址:深圳龙岗区平湖双拥街金立丰大厦306-308