请登录
注册
微信登录
二维码
查看手机网站
收藏本站
我的资料
深圳市隆玛视觉光源有限公司
首页
Home
产品中心
Nav
公司简介
Nav
联系我们
Nav
13682357734
产品详情
分享到:
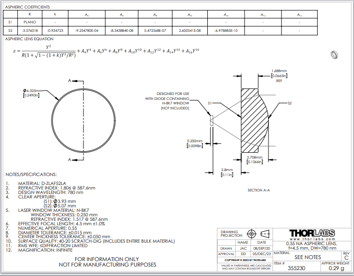
THORLABS 索雷博 355230 非球面透镜
13682357734
产品详情
型号
355230 非球面透镜
Thorlabs索雷博 355230 非球面透镜
手机/微信:13682357734 电话:0755-84690029 QQ: 2844337877 邮箱:2844337877@qq.com
Hardware
Design
手机/微信:13249819590 电话:0755-83512170
QQ:2577758288 Email: 2577758288@qq.com
地址:深圳龙岗区平湖双拥街金立丰大厦306-308